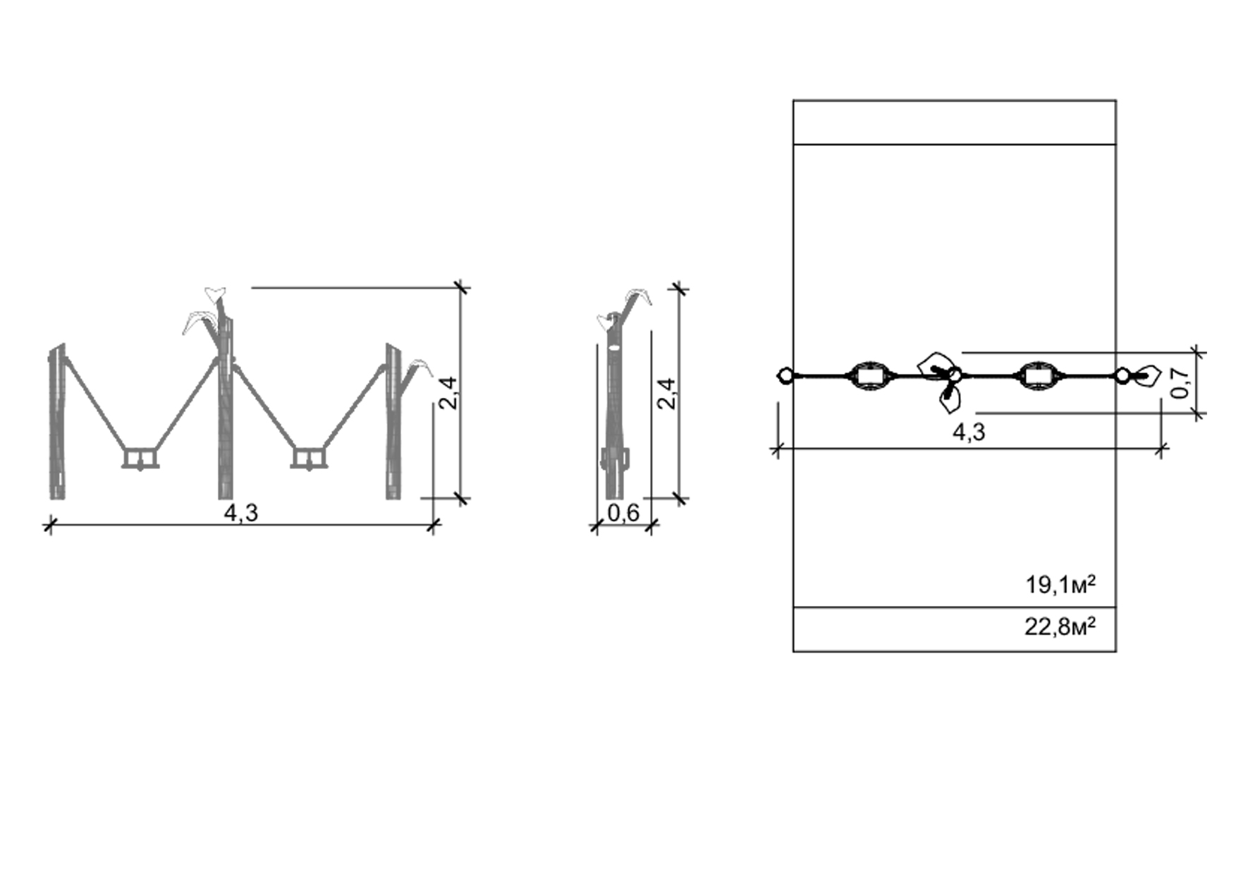
Качели 141170

4.30.72.4
от 1
22.8
2
1.0
Файлы 2D DWG