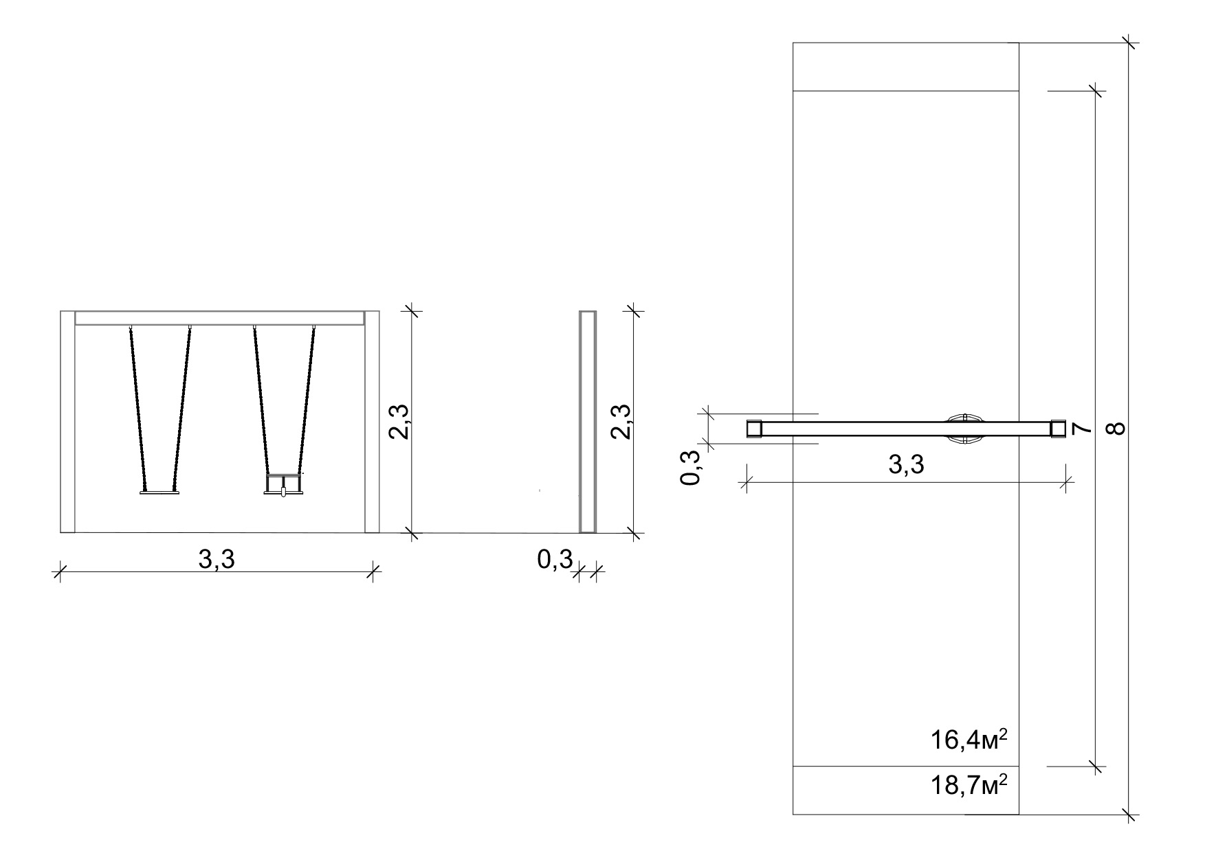
Качели 146051

0.33.32.3
от 1
18.7
2
1.4
Файлы 2D DWG